當2BV型水環式真空泵作為壓縮機使用時,泵排氣口接有氣水分離器,氣水混合物進入氣水分離器后自動分,氣體由排氣管輸送到所需系統而工作水經過分離器進入2BV型水環式真空泵內。壓縮氣體時,工作水極易熱,水由泵排氣口排出,溫度會變的較高,要由供水管不斷地供給冷水.以補充被放走的水,同時起冷卻作用,使工作水溫度不致過高,從而保證壓縮機性能,達能技術指標,滿足工藝要求。
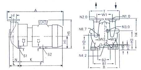
五、2BV水環式真空泵的安裝尺寸:
 |
 |
2BV-2060/2061/2070/2071 水環真空泵外形尺寸 |
型號 |
A |
B |
B1 |
H1 |
H2 |
H3 |
H4 |
H6 |
E |
P2 |
P3 |
R |
M |
S2 |
W1 |
W2 |
W3 |
d |
N3.0 |
N4.2 |
N8.7 |
2060 |
455 |
186 |
140 |
90 |
118 |
126 |
195 |
37.5 |
100 |
250 |
180 |
217 |
244 |
Φ10 |
110 |
26 |
21 |
G1″ |
G3/8″ |
G1/4″ |
G3/8″ |
2061 |
476 |
186 |
140 |
90 |
118 |
195 |
195 |
37.5 |
100 |
250 |
180 |
236 |
263 |
Φ10 |
110 |
26 |
21 |
G1″ |
G3/8″ |
G1/4″ |
G3/8″ |
2070 |
545 |
223 |
160 |
222 |
100 |
128 |
222 |
33 |
140 |
270 |
203 |
252 |
280 |
Φ12 |
110 |
33 |
27 |
G1 |
G3/8″ |
G1/4″ |
G3/8″ |
2071 |
566 |
223 |
234 |
140 |
112 |
140 |
234 |
45 |
190 |
300 |
225 |
278 |
309 |
Φ12 |
110 |
33 |
37 |
G1 |
G3/8″ |
G1/4″ |
G3/8″ |
 |
 |
N1.0 吸氣口。N2.0 排氣口。N3.0 工作液接口。N4.2 排水口。N8.7 氣蝕保護(內置) |
2BV-5110/5111/5121/5131/5161 水環真空泵外形尺寸 |
|
A |
B |
B1 |
B2 |
C1 |
C2 |
H1 |
H2 |
H3 |
H4 |
H5 |
H6 |
H7 |
F |
K |
L |
N |
T |
S1 |
S2 |
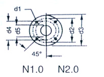
d1 |
d2 |
d3 |
d4 |
d5 |
W1 |
5110 |
637 |
325 |
255 |
190 |
41 |
26 |
140 |
156 |
202 |
361 |
328 |
38 |
57 |
464 |
320 |
130 |
92 |
340 |
Φ12 |
Φ12 |
19 |
160 |
123 |
97 |
52 |
180 |
5111 |
672 |
325 |
265 |
290 |
38 |
26 |
150 |
166 |
212 |
371 |
363 |
48 |
68 |
500 |
325 |
130 |
92 |
340 |
Φ12 |
Φ12 |
19 |
160 |
123 |
97 |
52 |
180 |
5121 |
771 |
347 |
265 |
290 |
36 |
26 |
150 |
167 |
217 |
385 |
363 |
39 |
60 |
584 |
410 |
147 |
97 |
382 |
Φ12 |
Φ12 |
19 |
182 |
142 |
113 |
67 |
200 |
5131 |
840 |
377 |
300 |
335 |
35 |
30 |
175 |
194 |
249 |
427 |
435 |
53 |
76 |
659 |
440 |
147 |
103 |
382 |
Φ12 |
Φ12 |
19 |
182 |
142 |
113 |
67 |
200 |
5161 |
1044 |
479 |
370 |
389 |
52 |
30 |
210 |
225 |
303 |
521 |
485 |
51 |
80 |
808 |
570 |
201 |
138 |
450 |
Φ15 |
Φ15 |
22 |
200 |
156 |
130 |
80 |
250 |
|
W2 |
W3 |
d(N1.0,N2.0) |
N3.0 |
N4.2 |
N8.7 |
5110 |
52 |
27 |
DN50/2″ |
G3/4″(絲長24) |
G3/8″(絲長25) |
G3/8″(絲長11) |
5111 |
52 |
27 |
DN50/2″ |
G3/4″(絲長24) |
G3/8″(絲長25) |
G3/8″(絲長11) |
5121 |
57 |
29 |
DN65/2″ |
G3/4″(絲長24) |
G3/8″(絲長25) |
G3/8″(絲長11) |
5131 |
63 |
32 |
DN65/2″ |
G3/4″(絲長24) |
G3/8″(絲長25) |
G3/8″(絲長11) |
5161 |
81 |
41 |
DN80/3″ |
G3/4″(絲長24) |
G3/8″(絲長25) |
G3/8″(絲長11) |
|
|
|
|
N1.0 吸氣口、N2.0 排氣口、N3.0 工作液接口、N4.2 排水口、N8.7 氣蝕保護(內置) |
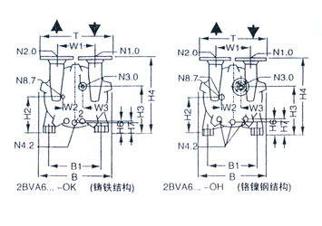
2BV-6110/6111/6121/6161/ 水環真空泵外形尺寸 |
|
Amax |
B |
B1 |
C1 |
F1 |
F2max |
H1 |
H2 |
H3 |
H4 |
H6 |
H7 |
K |
L |
N |
6110-H..0 |
1097 |
330 |
255 |
26 |
291 |
446 |
160 |
173 |
223 |
381 |
58 |
77 |
319 |
319 |
281 |
6110-K..0 |
1190 |
330 |
255 |
26 |
291 |
540 |
160 |
173 |
223 |
381 |
58 |
77 |
319 |
319 |
281 |
6111-K..0 |
1291 |
330 |
279 |
26 |
360 |
500 |
180 |
196 |
242 |
401 |
78 |
97 |
349 |
349 |
311 |
6121-K..0 |
1332 |
351 |
279 |
26 |
361 |
540 |
180 |
197 |
247 |
415 |
69 |
90 |
384 |
384 |
340 |
6131-K..0 |
1525 |
382 |
320 |
26 |
461 |
615 |
215 |
234 |
287 |
467 |
93 |
116 |
405 |
405 |
353 |
6161-K..0 |
1680 |
484 |
320 |
26 |
461 |
705 |
230 |
230 |
310 |
526 |
56 |
85 |
477 |
477 |
413 |
|
W1 |
W2 |
W3 |
S1 |
T |
d1 |
d2 |
d3 |
d4 |
d5 |
d(N1.0, N2.0) |
N3.0 |
N4.2 |
N8.7 |
6110-0..... |
180 |
52 |
27 |
Φ13×23 |
340 |
19 |
160 |
123 |
97 |
52 |
DN50/2″ |
″DN15+G3/4″(絲長24) |
G3/8″(絲長25) |
G3/8″(絲長11) |
6110-0..... |
80 |
52 |
27 |
Φ13×23 |
340 |
19 |
160 |
123 |
97 |
52 |
DN50/2″ |
″DN15+G3/4″(絲長24) |
G3/8″(絲長25) |
G3/8″(絲長11) |
6121-0..... |
200 |
57 |
29 |
Φ13×23 |
382 |
19 |
182 |
142 |
113 |
67 |
DN60/21/2″ |
″DN15+G3/4″(絲長24) |
G3/8″(絲長25) |
G3/8″(絲長11) |
6131-0..... |
200 |
63 |
29 |
Φ13×27 |
382 |
19 |
182 |
142 |
113 |
67 |
DN60/21/2″ |
″DN15+G3/4″(絲長24) |
G3/8″(絲長25) |
G3/8″(絲長11) |
6161-0..... |
250 |
81 |
41 |
Φ13×27 |
450 |
22 |
200 |
156 |
130 |
80 |
DN80/3″ |
″DN15+G3/4″(絲長24) |
G3/8″(絲長25) |
G3/8″(絲長11) |
六、2BV水環式真空泵的產品說明:
2BV真空泵由真空泵、電動機、組成,如圖5所示。
2BV真空泵與氣水分離器的工作過程如下:氣體由管路經閥門進入2BV真空泵,然后經排氣管進入氣水分離器中,經氣水分離器排氣管排出。當作為壓縮機使用時,經壓縮機排出的氣水混合物在氣水分離器中分離后,氣體經閥門輸送到需要壓縮氣體的系統上去。2BV真空泵或壓縮機內的工作水是由氣水分離器不經冷卻排至真空泵重新使用,其余工作水由供水管補充,供水量的大小,由供水管上的閥門來調整。供水量可按電機大小來調節,流量大,電機電流會越大,在電機額定電流內可自行調節水量,但如果持續電流過大會導致電機燒毀。
氣體抽吸和壓送系統的區別僅在于氣水分離器的內部構造有所不同。抽吸氣體時,吸氣口壓力低于大氣壓,而排氣口壓力等于大氣壓,氣水分離器有溢水管;壓送氣體時,吸氣口為常壓(也可為真空狀態),排氣口壓力高于一個大氣壓,為保證輸送氣體壓力,氣水分離器的水位通過溢水開關來控制。
|
|
1. 2BV 真空泵 2. 供水管 3. 逆止閥 4. 吸氣管 5. 氣水分離器 6. 排氣管 7. 溢水管 |
七、2BV水環式真空泵的啟動及停車
1、水環真空泵啟動
水環真空泵長期停車的泵在開動以前,必須用手轉動數圈,以證實水環真空泵內沒有卡住或其它損壞現象。
水環真空泵啟動按以下順序進行(參見圖5)
(1)打開排氣管閥門。
(2)迅速打開圖5供水管2。逐漸增加供水量,至供水量符合規定要求為止,(應注意不要干運行真空泵)。
(3)啟動電動機(應注意電機的正反轉)
2、水環真空泵停車
水環真空泵停車按以下順序:
(1)(如進氣管有閥門)關閉進氣管上的閥門。
(2)關閉供水管2,并迅速關停真空泵。
(3)停車后應將泵腔內的水放掉,以免再次啟動時,會造成葉片與泵軸斷裂。
總結:啟停過程中開關進氣口與系統連接的閥門是必要的。泵的啟停順序要嚴格執行:先開供水,再開真空泵,再開系統閥門。關機時先關系統閥門再關水,然后關泵。因為2BV水環式真空泵采用的是機械密封,最好的機械密封耐高溫在只能在300℃左右,如果開啟真空泵時沒有先開水,真空泵在無水情況下轉動,(電機轉速一般970R/MIN,1450R/MIN,2900R/MIN),如此高速的轉動下,機械密封的兩個接觸面會摩擦發熱,溫度過高機械密封會破裂,產生泄露,影響到真空泵的正常的工作。另外如真空泵進氣口與系統間沒有安裝閥門,或開關頻繁沒有及時開關閥門,可在進氣口前加裝止回閥,或真空阻液器,防止真空泵的工作液在停機的時候從進氣口返到被抽系統中。
八、2BV水環式真空泵的設備安裝
1、水環真空泵的安裝:
水環真空泵和壓縮機在安裝時,安裝面必須水平,并通過底角的孔用螺栓安裝牢固。為防止在安裝時焊渣進入真空泵,在安裝時,應在吸氣管上安裝上過濾網。
2、水環真空泵氣水分離器的安裝
水環真空泵氣水分離器可直接安裝在水環真空泵的排氣口上,并用螺栓固定牢固。氣水分離器有一管路與泵相連,由此供給水環真空泵工作需水量,其余工作水由供水管供給,供水量大小由管路上的閥門調節。
水環真空泵或壓縮機的進氣管上應裝有逆止閥,以便在停車時,防止真空泵或壓縮機內的水在排氣管方面的壓力作用下返回系統。
九、2BV水環式真空泵的維護
1、 2BV型水環式真空泵為避免磨損葉輪、泵體或卡住葉輪,隨氣體和工作液進入泵腔的灰塵顆粒,可通過2BV型水環式真空泵泵底部的沖洗口沖洗掉。
2、如果用硬水作工作液,須經軟化,或在一定周期內用溶液清洗泵。
3、 2BV型水環式真空泵電動機常工作的軸承比周圍溫度高15℃~20℃,最高不允許超過55℃~60℃,正常工作的軸承每年應裝油1-2次,每年至少清洗軸承一次,并將潤滑油全部更換。
4、 2BV型水環式真空泵采用的機械密封,出現泄漏現象,應檢查機械密封的動、靜環是否已損壞,或是密封圈已老化,如出現上述情況,均需更換新零件。
十、2BV水環式真空泵的故障和消除方法
2BV型水環式真空泵故障現象 |
2BV型水環式真空泵可能原因 |
2BV型水環式真空泵排除方法 |
2BV真空泵電機不起動;無聲音 |
兩根電源線斷裂 |
檢查接線 |
電機不起動;有嗡嗡聲 |
一根接線斷,電機轉子堵轉
葉輪故障
電機軸承故障 |
必要時排空清潔泵,修正葉輪間隙
換葉輪
換軸承 |
電機開動時,電流斷路器跳閘 |
繞組短路
電機過載
排氣壓力過高
工作液過多 |
檢查電機繞組
降低工作液流量
降低排氣壓力
減少工作液 |
消耗功率過高 |
產生沉淀 |
清潔、除掉沉淀 |
2BV真空泵不產生真空 |
無工作液
系統泄漏嚴重
旋轉方向錯 |
檢查工作液
修復泄漏處
更換兩根導線改變旋轉方向 |
2BV真空泵真空度太低 |
泵太小
工作液流量太小
工作液溫度過高(<15℃)
磨蝕
系統輕度泄漏
密封泄漏 |
用大一點的泵
加大工作液流量
冷卻工作液,加大流量
更換零件
修復泄漏處
檢查密封 |
2BV真空泵尖銳噪聲 |
產生氣蝕
工作液流量過高 |
聯接氣體蝕保護件
檢查工作液,降低流量 |
2BV真空泵泄漏 |
密封墊壞 |
檢查所有密封面 |
2BV水環式真空泵的訂貨須知:
一、請提供以下詳細數據:①2BV水環式真空泵的產品名稱與型號②2BV水環式真空泵的真空度要求單位PA或MPA③2BV水環式真空泵抽速要求單位L/S或M3/MIN④2BV水環式真空泵的使用條件和功況條件⑤2BV水環式真空泵的電機功率(KW)⑥2BV水環式真空泵的轉速(r/min)⑦2BV水環式真空泵的電壓〔V〕⑧2BV水環式真空泵的進出口口徑⑨2BV水環式真空泵是否帶附件,以便我們的為您正確選型。
二、若已經由設計單位選定我公司的2BV水環式真空泵的產品型號,請按2BV水環式真空泵的型號直接向公司銷售部訂購。
三、當使用的場合非常重要或環境比較復雜時,請您盡量提供設計圖紙和詳細參數,由我們的技術專家為您選型確認。 |